24小时服务热线:19103801095
NEWS CENTER
Recommend case
contact us

一、标准编号、标准名称
标准编号:GB 1588—2024
标准名称:医用玻璃体温计
发布日期:2024年4月29日
实施日期:2026年5月1日
代替标准:GB1588—2001《玻璃体温计》
二、标准修订背景
我国是医用玻璃体温计最大生产国,很多出口至俄罗斯,中亚等国家和地区,每年有1亿多支的生产量和市场需求。
2017年8月16日《关于汞的水俣公约》在我国正式生效,自2026年1月1日起禁止生产含汞体温计。
国家药监局于2020年10月16日发布《国家药监局综合司关于履行《关于汞的水俣公约》有关事项的通知 》(药监综械注〔2020〕95号),规定已取得医疗器械注册证的含汞体温计延续注册时,或按照医疗器械受理的含汞体温计的注册证书有效期不得超过2025年12月31日。自2026年1月1日起,全面禁止生产含汞体温计和含汞血压计产品。
目前市场上除含汞体温计外,还有无汞玻璃体温计,为适应产品技术及行业发展的需求,对GB1588—2001进行修订。
三、主要技术内容
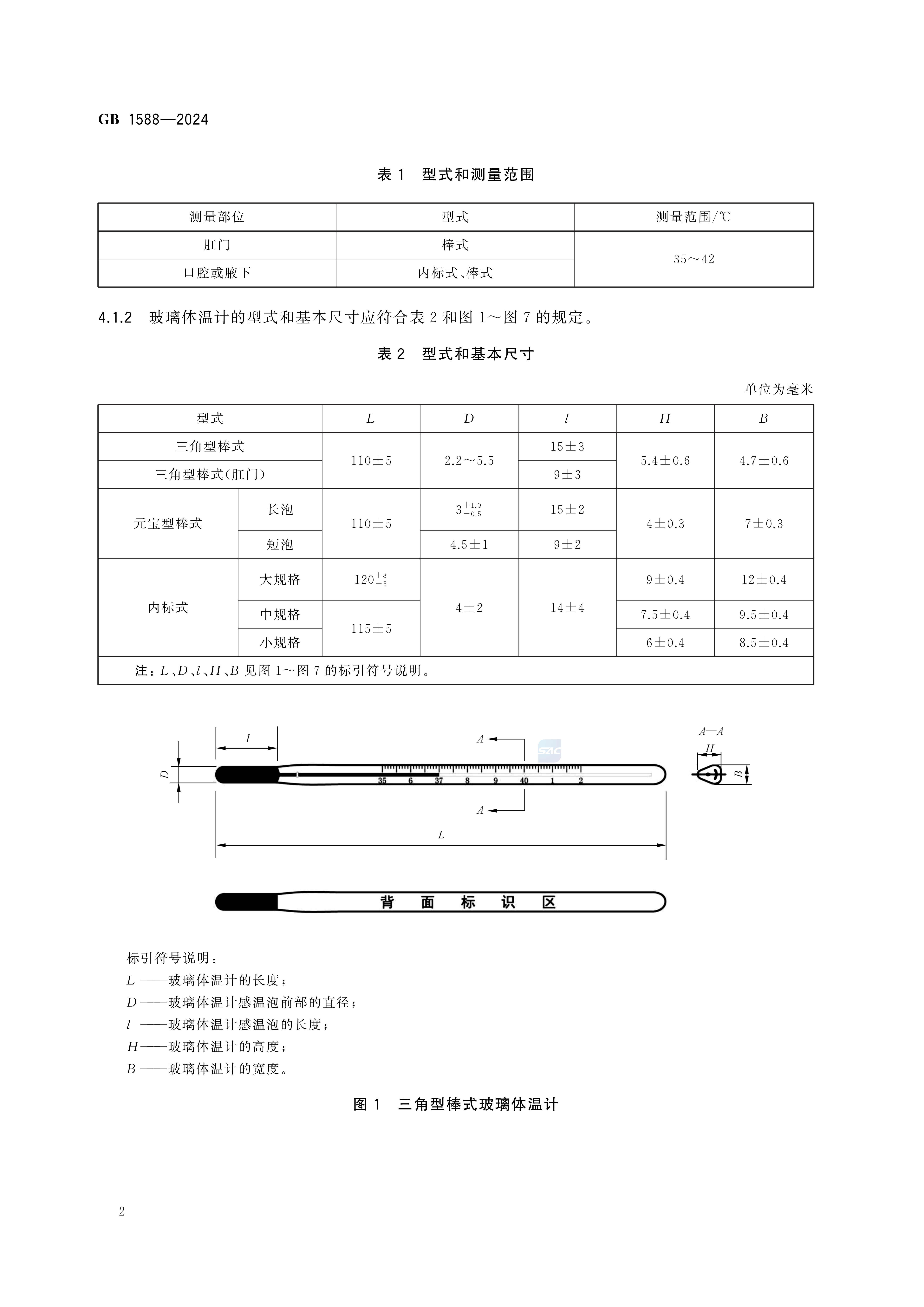
本标准规定了医用玻璃体温计的要求、检验规则、标志、使用说明书,描述了相应的试验方法。本标准适用于供测量人体的体温用,有测温留点结构、感温介质为液体的医用玻璃温度计。
与GB1588—2001相比,主要技术变化如下:修改了标准名称和适用范围;增加了标度线、标度板、自流、难甩、中断的术语和定义;删除了兽用和新生儿棒式的内容;删除了逐批检查、包装、运输、贮存、质量保证的内容;修改了不同型式体温计的测量部位、基本尺寸、应力、标度板、棒式玻璃体温计标度线宽度的要求;修改了气泡、感温液柱难甩的试验方法;修改了示值的周期检查抽样方案;统一了不同型式体温计玻璃管釉带宽度的要求;归类了外观的要求。
四、标准实施意义
全面实施本标准后,整个玻璃体温计生产行业,营业收入和税收都会有较大幅度的提升。以现有含汞玻璃体温计年生产量约1.2亿支计算,如含汞玻璃体温计均被无汞玻璃体温计取代,玻璃体温计行业的营业收入将提高10亿余元。标准的实施有助于推动玻璃体温计行业的发展,加快产业结构调整,促进绿色环保的生活,积极履行水俣公约。
GB 1588—2024《医用玻璃体温计》全文
站点声明:
本网站所提供的信息仅供参考之用,并不代表本网赞同其观点,也不代表本网对其真实性负责。图片版权归原作者所有,如有侵权请联系我们,我们立刻删除。如有关于作品内容、版权或其它问题请于作品发表后的30日内与本站联系,本网将迅速给您回应并做相关处理。
北京飞速度医疗科技有限公司专注于医疗器械、诊断试剂产品政策与法规规事务服务,提供产品注册申报代理、临床合同(CRO)研究、产品研发、GMP质量辅导等方面的技术外包服务。